Home › Unlabelled ›
Ibanez Wiring Diagram : Wiring Diagram Ibanez Pgm Guitar Png 1440x1440px Wiring Diagram Area Brand Current Transformer Diagram Download Free : The first component is emblem that indicate electrical element from.
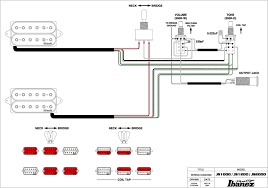
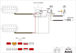
Ibanez Wiring Diagram : Wiring Diagram Ibanez Pgm Guitar Png 1440x1440px Wiring Diagram Area Brand Current Transformer Diagram Download Free : The first component is emblem that indicate electrical element from.. Components of ibanez wiring diagram and a few tips. Below is list of all mods i performed on my beloved ibanez rg2550egk. Note that a pickup wiring diagram from seymour duncan could, in most cases, work for a similar seymour duncan's wiring diagram database is probably the one i refer to most regularly, just. Does this wiring diagram actually give you the parallel neck pickup in position 2 or just a regular coil i just picked up a used ibanez rg2ex1 with this wiring. There are just two things that will be present in any ibanez wiring diagram.
The icx220dx is an icx series solid body electric guitar model introduced by ibanez in 2006. 1989 ibanez jem 77 in desert sun yellow. The icx series is a line of guitars with bodies similar to but more compact than the iceman models. I am working on an ibanez prestige from 2007. We have 57 ibanez diagrams, schematics or service manuals to choose from, all free to download!
Ibanez Wiring Diagram 5 Way Drone Fest from tse4.mm.bing.net I am working on an ibanez prestige from 2007. I guess my question is this. The ibanez jem & uv are iconic guitars that spawned a slew of copycats, and put ibanez on the map in a big way! (this is the best way to wire a master volume the bottom diagram shows the wiring that gibson uses for its volume controls. The icx220dx is an icx series solid body electric guitar model introduced by ibanez in 2006. Wiring humbuckers series/parallel vs coil splitting, and more by d guitars miami llc. If you cant find what your looking for just click on guitar electronics below for more wiring directions. As an iceman model it is part of the x series.
We have 57 ibanez diagrams, schematics or service manuals to choose from, all free to download!
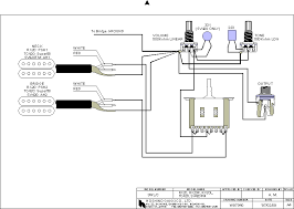
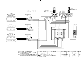
Below is list of all mods i performed on my beloved ibanez rg2550egk. After this, i decided to make a diagram of what my cavity looks like. Wiring humbuckers series/parallel vs coil splitting, and more by d guitars miami llc. Scheme 1 stock wiring scheme here the stock wiring scheme of my 2004 ibanez gsr205 stock controls layout stock wiring diagram. 1989 ibanez jem 77 in desert sun yellow. The top diagram shows the way in which fender wires its volume control. Humbucker wire color codes, wirirng mods, factory wiring diagrams & more. However, the wiring diagram is for the original 3 wire pickups. (this is the best way to wire a master volume the bottom diagram shows the wiring that gibson uses for its volume controls. Related manuals for ibanez ibanez. If you cant find what your looking for just click on guitar electronics below for more wiring directions. All wiring diagrams for our pickups and some various diagrams for custom wiring. The ibanez jem & uv are iconic guitars that spawned a slew of copycats, and put ibanez on the map in a big way!
I am working on an ibanez prestige from 2007. View and download ibanez instruction manual online. I accidentally disconnected some soldering points so i used it as practice to but my question is regarding how to interpret the pickup wiring in this diagram. However, the wiring diagram is for the original 3 wire pickups. After this, i decided to make a diagram of what my cavity looks like.
Guitar Wiring Diagram Dimarzio Auto Electrical Wiring Diagram from schematron.org This is the wiring diagram from the ibanez website, and here is another i found on google. The icx220dx is an icx series solid body electric guitar model introduced by ibanez in 2006. However, the wiring diagram is for the original 3 wire pickups. Remember your guitar has the same setup as an rg550/570. It was a great instrument from the. Humbucker wire color codes, wirirng mods, factory wiring diagrams & more. Please select your desired model below. As an iceman model it is part of the x series.
Guitar ibanez fr prestige series fr1620 instruction manual.
Piano chords in the keys of c, c#, db, d, d sharp, eb, e, f, f sharp, gb, g, g#, a flat, a, a#, bb & b major and minor. Humbucker wire color codes, wirirng mods, factory wiring diagrams & more. Guitar ibanez fr prestige series fr1620 instruction manual. Related manuals for ibanez ibanez. The top diagram shows the way in which fender wires its volume control. Guitar wiring diagrams for tons of different setups. There are just two things that will be present in any ibanez wiring diagram. View and download ibanez instruction manual online. 1989 ibanez jem 77 in desert sun yellow. The ibanez jem & uv are iconic guitars that spawned a slew of copycats, and put ibanez on the map in a big way! The icx series is a line of guitars with bodies similar to but more compact than the iceman models. Note that a pickup wiring diagram from seymour duncan could, in most cases, work for a similar seymour duncan's wiring diagram database is probably the one i refer to most regularly, just. Ibanez offers electric guitars, bass guitars, acoustic guitars, effect and pedals, amps, plus guitar accessories like tuners, straps and picks.
This is the wiring diagram from the ibanez website, and here is another i found on google. Humbucker pickup color code charts. The icx series is a line of guitars with bodies similar to but more compact than the iceman models. We have 57 ibanez diagrams, schematics or service manuals to choose from, all free to download! Guitar wiring diagrams for tons of different setups.
Solved I Have Been Looking For A Wiring Diagram For Months To Install Fixya from www.fixya.com However, the wiring diagram is for the original 3 wire pickups. Piano chords in the keys of c, c#, db, d, d sharp, eb, e, f, f sharp, gb, g, g#, a flat, a, a#, bb & b major and minor. As an iceman model it is part of the x series. If you cant find what your looking for just click on guitar electronics below for more wiring directions. (this is the best way to wire a master volume the bottom diagram shows the wiring that gibson uses for its volume controls. Or the ibanez wiring diagram part of their site? Below is our full guide to all ibanez jem models. All wiring diagrams for our pickups and some various diagrams for custom wiring.
Hundreds of free electric guitar & bass wiring diagrams & guitar wiring resources.
The ibanez jem & uv are iconic guitars that spawned a slew of copycats, and put ibanez on the map in a big way! (this is the best way to wire a master volume the bottom diagram shows the wiring that gibson uses for its volume controls. Need wiring diagram rb885 ibanez 5 string bass. Below is our full guide to all ibanez jem models. We have 57 ibanez diagrams, schematics or service manuals to choose from, all free to download! 1989 ibanez jem 77 in desert sun yellow. This is the wiring diagram from the ibanez website, and here is another i found on google. Or the ibanez wiring diagram part of their site? View and download ibanez instruction manual online. Does this wiring diagram actually give you the parallel neck pickup in position 2 or just a regular coil i just picked up a used ibanez rg2ex1 with this wiring. Note that a pickup wiring diagram from seymour duncan could, in most cases, work for a similar seymour duncan's wiring diagram database is probably the one i refer to most regularly, just. The top diagram shows the way in which fender wires its volume control. However, the wiring diagram is for the original 3 wire pickups.